文章摘要:【摘要】本文介紹一種新式智能型電機無功補償裝置,這種補償器采用單片機控制,能夠實現自動跟蹤,自動補償以達到提高電機功率因數,降低電機定子電流、電機溫升等目的。 關鍵詞:測量 跟蹤 補償 相位 1.概述 眾所周知,靜止式進相器是一種智能型無功功率補
【摘要】本文介紹一種新式智能型電機無功補償裝置,這種補償器采用單片機控制,能夠實現自動跟蹤,自動補償以達到提高電機功率因數,降低電機定子電流、電機溫升等目的。
關鍵詞:測量 跟蹤 補償 相位
1.概述
眾所周知,靜止式進相器是一種智能型無功功率補償裝置,它具有自動跟蹤補償、靜止無環流、操作簡單、免維護等許多優點,是當代替代旋轉式進相機的理想產品。它的補償原理和電容補償相比有著本質上的區別。電容補償是在電機定子的前端并聯電容器C,以吸收電機感性電阻造成的無功功率。它只能改變電容至電網等線路上的電流與電壓的功率因數角,也就是說只能提高線路上的功率因數。而進相器卻是一種能夠改變電機本身功率因數的補償裝置。它是由單片機控制把50HZ交流電通過交交變頻給電機轉子中附加一個與轉子同頻率的電勢Uf來改變轉子的功率因數,從而達到改變電機定子的功率因數。 等效電路如圖一所示:

圖一
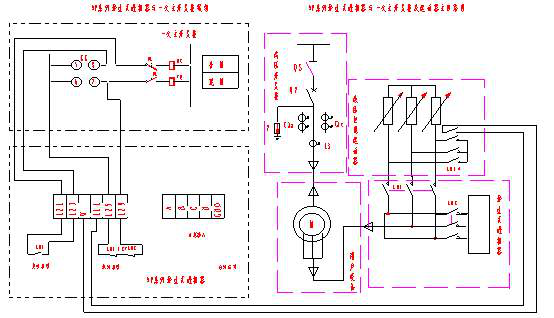
2.控制原理

圖二
從圖二可以看出WP系列靜止式進相器是串接在電機轉子回路中的。當電機運行時采集轉子電流和同步電壓信號,經微處理器CPU處理后給可控硅發出觸發信號,由可控硅組成的交—交變頻器將工頻電源變為和轉子電流同頻率的電勢疊加在電機轉子回路中,改變轉子電流與轉子電壓的相位關系,通過磁場進而改變電機定子電流與定子電壓的相位關系,減小功率因數角,最終使電機本身的功率因數得以提高,定子電流得以下降。這種方式,可使電機功率因數提高到0.98以上,無功功率降低60%以上;降低電機定子電流10%~20%,降低線損、銅損20%-30%;電機溫升顯著降低,效率及過載能力大大提高,電機使用壽命延長。
它的工作過程如下:
當電機起動前,先給進相器送上控制電源,通過轉換接觸器把電機轉子接到起動器上,當電機起動完畢,給進相器一個信號此時微控制單元開始工作,此時按下進相按鈕,轉換機構把電機轉子接入到可控硅變頻器,通過附加電勢的疊加來改變電機的功率因數。為了保護可控硅,吸收通斷時的峰值電壓,可控硅的陽極A和陰極K之間并聯有阻容串聯保護元件。
3.進相器的選配和安裝調試
我們知道,對于軋鋼機來說,當有鋼料通過時,電機處于超負荷運轉,所以在選配進相器時,最好按常規負荷的高一級來選配。從前面的介紹中我們可知道,進相器主要是給電機轉子施加一個同頻率的電動勢,所以進相器的選擇不但要考慮電機的功率而且還要考慮電機的轉子額定電流的大小。
如圖三所示,進相器內配有轉子回路轉換機構,為了保護電機避免電機轉子開路,進相器KM1接觸器的常開觸點串入電機一次開關柜合閘回路中與電機一次開關柜相互聯鎖,進相器不合閘時KM1不吸合,主機不能起動;如果進相器出了故障,則CPU能自動發出退相指令使進相器退相,當轉換機構出現故障,則進相器內的KM1、KM2就會出現吸合或同時斷開的現象,此時通過KM1、KM2常閉觸點串聯后并入電機一次開關柜的分閘回路中,通過聯鎖使一次柜分閘。
為了保護進相器免受沖擊,把起動器的轉子星點短接接觸器KM10的常開觸點串入進相器的進相回路中,電機起動完畢前,KM10不吸合,進相器就不能進相,電機起動過程中產生的沖擊電流就不會對晶閘管造成損壞。當電機起動完畢后,投入進相器,如果電機定子電流下降、COSø上升就說明補償相序正確,反之如果進相后電機定了電流沒有下降而是上升,COSø下降則說明進相器采樣信號與補償相序正好相反,此時調整電壓的取樣信號相序就可。

圖三
4.進相器的日常維護
我們知道,軋鋼廠生產環境比較惡劣,灰塵較大,靜止式進相器的可控硅又是采用的風冷方式,所以灰塵就容易隨風進入進相器內對可控硅及CPU等各種元配件的性能產生很大的影響。因此,進相器日常維護就必須定期清掃進相器內的灰塵,運行過程中應經常檢查冷卻風機的運行狀況。當進相器出現故障時,最好是按照廠家提供的原理圖采用排除法來來一步步的確診。
晶閘管是一種大功率的半導體元件,他的好壞直接影響到進相器的工作性能,當進相器進相工作時,我們可以檢查其A、K兩極的阻值是否在幾百千歐以上變化(阻容保元件造成)K、G兩極之間阻值是否幾十歐,且每相的幾只阻值基本相同。
5.應用實例
福建福安昌順軋鋼廠于2002年7月份選用一臺WP5-600G型高壓靜止式進相器,所配電機型號為YR630-10/1180,電機定子電壓 6KV,額定電流為 78A ,轉子開路電壓為 781V,轉子額定電流為 500A ,額定功率因數為 0.8 ,當電機沒有負荷時運行電流為 20A,功率因數為 <0.45 ,投入進相后電流為 15A ,功率因數為 0.85 ;當有鋼料通過時電機運行電流為150~200A,功率因數為0.9, 投入進相后電流為 120~170A,功率因數為 ≈1 。
根據電力變壓器容量選擇無功補償電容器:怎樣正確選用電力電容器,如下幾點供用戶參考: 1、用戶購買電力電容器最好直接到生產廠家或由生產廠家授權的代理商處購買,這樣防止購買假冒偽劣的產品。 2、用戶在選用電力電容器時,應注意電力電容器的產品外觀是否完整,有無碰損,及生產廠家的名牌、廠址
自動補償柜,
就地補償柜,
高壓電容補償,
10kv電容柜,
35kv高壓電容柜,
本文來至襄陽源創電氣成套設備公司: [
無功補償裝置],咨詢無功補償裝置廠家,了解無功補償裝置價格
,請直接聯系:13507271573 張
本文鏈接:
http://www.fccars.cn/zs/wugongbuchangzhuangzhi/2017/0515/718.html ,轉載請注明!
(責任編輯:admin)