
適用范圍
YGQ系列固態軟起動器是在電機定子回路中串入可控硅,并根據電機功率和負載狀況,通過調整可控硅的導向角,將電機的起動電流控制在設定值上,進而實現電機的恒流軟起動。適用于建材、冶金、礦山、化工、石油、供水、供暖、制藥等各行業400KW以下交流三相異步電動機的降壓起動和節能控制。
性能特點
。起動電流小、起動過程平滑、起動速度快。
。可頻繁連續起動,并可分別起動多臺電機。
。具備恒流式和可編程斜坡式兩種起動方式。起動參數可根據負載類型任意調整。
。全數字自動控制,工作穩定、可靠性高、調整、維修簡便。
。對于電機過載,在某5-40S予以保護,對于電源缺相在2S鐘內予以保護。
。具有故障自我診斷功能,并顯示第一故障。
。每小時可起動8次。
。具備軟停車功能(特別適合泵類負載在水錘效應下的平穩減速)。
主要規格參數

使用條件
。環境溫度 -40℃—+50℃
。相對濕度 ≤90%
。海拔高度 ≤2000m(特殊設計另外協商)
。傾斜度 ≤5°
。安裝位置 無顯著搖動和沖擊振動
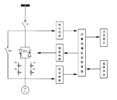
一次方案圖

本文來至襄陽源創電氣成套設備公司: [高低壓起動柜],咨詢高低壓起動柜廠家,了解高低壓起動柜價格
,請直接聯系:13507271573 張
本文鏈接:http://www.fccars.cn/cp/gaodiyaqidonggui/2017/0308/108.html ,轉載請注明!
(責任編輯:源創電氣)

日期:2017-09-05 15:26:34 點擊:121 好評:0
高壓電機的啟動柜,實際上就是減(降),壓啟動器,高壓大型電機選用水阻柜啟動。 進相機實際上是無功補償設備,當電機完成啟動轉入運行后該電機,轉子串入進相機供入勵磁電流,建立并維持旋轉磁場,使電動機正常運轉,減少電網無功電流的涌入,從而提高功率....

日期:2017-04-20 10:37:03 點擊:121 好評:0
大家估計對著這幾個不是很多,其實有本質的區別的,那么下面我們就來講解一下這個設備的區別吧。 軟起動器是一種集電機軟起動、軟停車、輕載節能和多種保護功能于一體的新穎電機控制裝置,國外稱為Soft Starter。它的主要構成是串接于電源與被控電機之間的三....

日期:2017-04-20 10:47:05 點擊:139 好評:0
軟起動器具有哪些保護功能?這個是需要我們多多了解的技術知識,必須要掌握住才行的。 (1)過載保護功能:軟起動器引進了電流控制環,因而隨時跟蹤檢測電機電流的變化狀況。通過增加過載電流的設定和反時限控制模式,實現了過載保護功能,使電機過載時,關....

日期:2017-05-31 14:53:03 點擊:59 好評:0
這里我們要介紹的是高壓固態軟起動柜,那么這個設備哪些廠家有出售的呢,那么現在我們就來介紹一下軟起動柜這個東西吧,其實軟起動柜要說比較好一些的,那莫非就是高壓固態軟起動柜了,要比同類產品價格高一些,質量也好一些。 那么高壓固態軟起動柜對比繞線....

日期:2017-05-22 09:01:07 點擊:125 好評:0
什么是力矩 ? 在物理學里,作用力使物體繞著轉動軸或支點轉動的趨向,稱為力矩(torque)。轉動力矩又稱為轉矩。力矩能夠使物體改變其旋轉運動。推擠或拖拉涉及到作用力 ,而扭轉則涉及到力矩。如圖1,力矩等于徑向矢量與作用力的叉積。 (圖1) 簡略地說,....