
日期:2017-05-25 15:22:38 點擊:151 好評:0
這里是源創電氣為大家介紹的龍門刨改造:源創電氣控制系統升級為PLC控制相關知識,大加需要好好掌握。 一、源創電氣告訴大家引言 自從工業發達國家相繼研制出 PLC 后;以及微機技術的普遍應用,使 PLC 的功能不斷增強,應用日益廣泛。是現代控制技術的一次飛躍,....

日期:2017-05-23 15:14:37 點擊:114 好評:0
變壓器接線Dyn11和Yyn0的區別比較和選擇 這里是源創電氣為大家介紹的系列相關問題。 現在電力變壓器主要分為干式變壓器和油浸式變壓器兩類,在變壓器的規格參數中有一項被稱之為聯接組標號(連接主別)。也就是我們平時說的接線方式,常規的有Dyn11,Yyn0兩....

日期:2017-05-22 09:14:19 點擊:108 好評:0
數控機床 近年來在工業企業中得到廣泛的運用。但在數控機床的使用也可能因操作失誤或機床本身的故障導致停機,面對一些常見故障我們應該如何解決,襄陽正涵電氣有限公司 在這里向大家簡單介紹,以供參考: 數控機床是一種集機、電、液、氣、光高度一體化的現....

日期:2017-05-13 15:11:54 點擊:197 好評:0
16.5.1 施工質量管理 1)施工質量符合規范要求。 2)嚴格按比亞迪制定的工程質量管理制度實行自檢,互檢和復檢,具有實測數據和簽證手續。 3)設備及安裝施工材料均需有質量合格證,并對品種、數量、外觀、出廠日期等進行驗收,如有異議應會同有關部門簽定后....

日期:2017-05-13 15:09:40 點擊:178 好評:0
十五、 項目管理機構 本工程主要技術及管理人員安排如下:項目經理1 名, 電氣工程師1 名,產品工程師1 名,質量員1 名,安全員1 名,材料員1 名。 施工組織設計 技術準備 技術準備是決定施工質量的關鍵因素,本項目在施工前主要進行以下幾方面的準備工作:....

日期:2017-05-13 15:09:13 點擊:64 好評:0
序號 名稱 單位 數量 一 光伏組件 1 多晶硅光伏組件(每20塊組件一串(5kWp),每塊260Wp,共1154塊) 每串列配置1套MC4公母插頭與組件一致,共40套(組件間也存在采用MC4公母插頭,建議50套MC4頭) kWp 300 二 光伏支架 1 平面屋頂固定傾角支架(傾角27度、....

日期:2017-05-13 15:08:47 點擊:139 好評:0
1.項目裝機容量:300KWp 2.項目預計總投資:240萬元 3.平均年發電量:307230KWh 4.太陽能上網電價估計在1.23元/KWh 5.年收益:3072301.23=377892.9元 6.投資回收期:240萬377892.9=6.35年....

日期:2017-05-13 15:08:29 點擊:67 好評:0
隨著社會的快速發展,能源消費在迅猛增長,但是地球上蘊藏的化石能源卻日漸枯竭。低碳經濟、可再生能源的開發與利用,成為世界各國應對能源與環境危機、增強可持續發展能力的首要選擇。我國高度重視低碳經濟、可持續發展問題,將低碳經濟、可再生能源的開發利....

日期:2017-05-13 15:08:05 點擊:77 好評:0
當前全球能源形勢緊張、全球氣候變暖嚴重威脅經濟發展和人們生活健康的今天,世界各國都在尋求新的能源替代戰略,以求得可持續發展和在日后的發展中獲取優勢地位。環境狀況已經警示我國所能擁有的排放空間已經十分有限,加大清潔能源的份額,是我國的經濟和社....

日期:2017-05-13 15:07:23 點擊:111 好評:0
本項目實施的總進度計劃為2個月。 第一階段:建設前期工作階段 1、 編制項目建議書 2、 可行性研究 3、 審批立項 4、 報建 第二階段:設計階段 1、 初步設計 2、 施工圖設計 第三階段:建設準備階段 1、 施工圖設計審查 2、 建設條件的準備 3、 設備及供應商....

日期:2017-05-13 15:06:50 點擊:156 好評:0
經過實際運行情況分析表明,光伏發電系統的運行對維護的要求很低,基本不需要特別維護與維修。光伏發電系統中最可靠的是包含組件、直流接線盒(箱)以及直流線纜的光伏陣列,即使出現問題也多是旁路二極管或防逆流二極管。在光伏發電系統極少發生的故障中,光....

日期:2017-05-13 15:06:11 點擊:86 好評:0
在全球能源形勢緊張、全球氣候變暖嚴重威脅經濟發展和人們生活健康的今天,世界各國都在尋求新的能源替代戰略,以求得可持續發展和在日后的發展中獲取優勢地位。環境狀況已經警示我國所能擁有的排放空間已經十分有限了,再不加大清潔能源和可再生能源的份額,....

日期:2017-05-13 15:05:11 點擊:199 好評:0
5.1系統效率預測 光伏陣列在能量轉換與傳輸過程中的損失包括組件匹配損失、組件質量誤差損失、表面塵埃遮擋損失、不可利用的太陽輻射損失、溫度的影響、最大功率點跟蹤(MPPT)精度與跟蹤速度、以及直流線路損失等。 據太陽輻射資源分析所確定的光伏電場多年....

日期:2017-05-13 15:04:04 點擊:147 好評:0
光伏發電系統的雷電入侵路徑,除光伏組件外,還有配電線路、接地線以及它們的組合。為了保證電力系統的安全運行和光伏發電及電力設施的安全,并網光伏電站必須有良好的避雷、防雷及接地保護裝置。 防雷擊的主要措施是安裝避雷針,本項目戶外設備安裝位置在整....

日期:2017-05-13 15:02:46 點擊:180 好評:0
1. 電纜載流量計算 參考《GB50217-2007:電力工程電纜設計規范》敷設在空氣中的電纜載流量按:KI XU I JS 選擇。 IJS計算工作電流,單位A; IXU電纜在標準敷設條件下的額定載流量,單位A; K不同敷設條件先綜合校正系數。 2.電壓校驗 逆變器電壓輸出相電壓范....

日期:2017-05-13 15:01:53 點擊:133 好評:0
并網接入柜安裝在光伏發電的并網點,主要由主斷路器、分斷路器、電流互感器、測控表計、關口計量等設備組成。 u故障隔離功能,短路瞬時、長延時保護功能和欠壓脫扣功能 u光伏發電量計量功能 u關口計量設備鉛封功能 u具備防雷功能 u通訊接入、規約轉換功能 u帶....

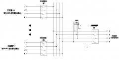
日期:2017-05-13 15:00:45 點擊:100 好評:0
交流匯流箱選用交匯流箱,IP65,戶外使用。 光伏交流防雷匯流箱的作用是對逆變器的輸出進行匯流,匯流箱應具有以下功能: 1.滿足室外安裝的使用要求,防水、防銹、防曬,防護等級為IP65。 2.輸入路數可定制,每路輸入電流最大可達80A。 3.最高輸入、輸出電壓....

日期:2017-05-13 14:59:40 點擊:80 好評:0
( 1 )光伏組串串并聯設計 光伏組件串聯的數量由逆變器的最高輸入電壓和最低工作電壓、以及光伏組件允許的最大系統電壓所確定。光伏組串的并聯數量由逆變器的額定容量確定。 電池組件串聯數量計算如公式(1)所示,對應參數詳見本工程所選250Wp組件和逆變器....

日期:2017-05-13 14:59:08 點擊:97 好評:0
光伏組件支撐系統包含光伏陣列鋁合金結構支架和光伏組件安裝構件,其安全可靠性取決于基礎鋼結構、配重塊、組件鋼支架以及光伏組件自身的受力性能、抗震性能和耐久性。本項目光伏組件支撐系統特點能夠保障系統的安全可靠。光伏陣列支撐體系采用鍍鋅結構框架體....

日期:2017-05-13 14:58:33 點擊:95 好評:0
光伏陣列 傾角 水泥組件固定傾角安裝。根據當地的緯度,選擇方位角0度,傾角35度為最佳傾角,但是考慮到傾角過大抗風性能變差,且組件間距變大,同等面積情況下安裝容量將減少,非最佳傾角時對發電量的影響不大,因此選擇25固定傾角安裝布置。組件采用豎向單....