公司地址:襄陽市樊城區春園西路賈洼工業園 郵箱:xfycdq@163.com
高壓軟起動器精心設計考慮各種要求,以保障各種使用對象和使用場合。結構采用GB11022-1999-T高壓開關設備和控制設備的共用技術要求,在柜體中應用密封處理,減少對機器內部的污染,布局合理。先進的數字觸發系統將低壓控制通過光纖連接到高壓部分,便捷的維修設計允許各相模塊可以迅速單獨進行更換。為運行安全起見,高壓部分和低壓部分完全隔離開來。

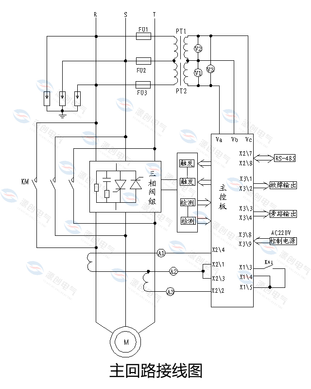
1主功率回路
主要由可控硅串并聯和旁路接觸器組成。SCR電源器件:在每相中是用一對相同參數的SCR反相平行的安裝在一組的。為了達到所有使用電網的峰值電壓要求,對SCR進行串聯。通過控制可控硅的開關以實現對交流三相電源進行斬波,控制輸出電壓的幅值,并在啟動過程完成后將高壓電機軟啟動裝置切換到旁路狀態。RC吸收網絡:RC吸收網絡提供瞬間電壓保護電路,以減少dv/dt沖擊電壓。防止SCR模塊的損壞。
主回路接線圖如下圖所示:
2控制和保護電路
電子控制電路分為低壓、中高壓兩部分,并隔離成兩個獨立的部分。低壓電子部分包括控制界面和接口。主要包括由微控制器組成的數字電路、由光纖組成的光電隔離電路、可控硅觸發電路、電流檢測和電壓檢測電路、溫度檢測電路等等是核心部分,控制晶閘管的導通和關閉,從而完成對電機的起動和停車的理想化的控制。
A、CPU主控板:CPU板上裝有微處理器和通訊處理器,CPU決定各種操作功能,根據用戶的設定程序和檢測反饋信號來進行控制。
B、觸發電源板:也稱為主觸發板,它包括光纖接口,通過光纖與CPU主控板通信。
C、觸發驅動板:位于SCR模塊組件上面,在每個SCR模塊中每一對SCR使用一個觸發驅動電路板。
3人機顯示界面
液晶和鍵盤組成。用以實現用戶的參數設置、選擇起動方式、顯示設備的運行狀態等,給用戶提供簡單易用的人機界面。

上一篇:軟起動器的性能比較表
下一篇:高壓固態軟起動裝置




(不想等待可點擊按鈕通過QQ進行溝通,或直接電聯。)
關閉