銷售①:13508662630 銷售②:13507271573
公司地址:襄陽市樊城區春園西路賈洼工業園 郵箱:xfycdq@163.com
1)諧波對供電變壓器的影響 諧波對供電變壓器的影響主要是產生附加損耗,溫升增加,出力下降,影響絕緣壽命。 2)諧波對旋轉電機的影響 諧波對旋轉電機的主要影響是產......
發布時間:2017-05-15
3、諧波的危害: 主要表現在以下幾個方面: 諧波使企業電網中的設備產生附加諧波損耗,降低電網、輸電及用電設備的使用效率,增加電網線損。在三相四線制系統中,零線會......
發布時間:2017-05-15
所有的非線性負荷,都能產生諧波電流。產生諧波的設備類型有:開關模式電源(SMPS)、電子熒光燈鎮流器、調速傳動裝置、不間斷電源(UPS)、磁性鐵芯設備(變壓器、......
發布時間:2017-05-15
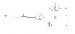
利用磁控電抗器電抗值連續可調,實現感性無功的連續可調,從而實現容性無功的動態補償。 結構上分為磁閥式、裂芯式和磁控式。 (見MSVC介紹) 、諧波的含義: 供電......
發布時間:2017-05-15
電容器分組自動投切 TSC型自動分組投切裝置 調壓技術 TCR型SVC動態補償裝置 MCR型SVC動態補償裝置 (分別介紹如下) 1、分組自動投切:利用真空開關......
發布時間:2017-05-15



(不想等待可點擊按鈕通過QQ進行溝通,或直接電聯。)
關閉