銷售①:13508662630 銷售②:13507271573
公司地址:襄陽市樊城區春園西路賈洼工業園 郵箱:xfycdq@163.com
適用范圍
產品適用于手工頻3KV-10KV,200KW-20000KW三相交流電動機的軟起動。
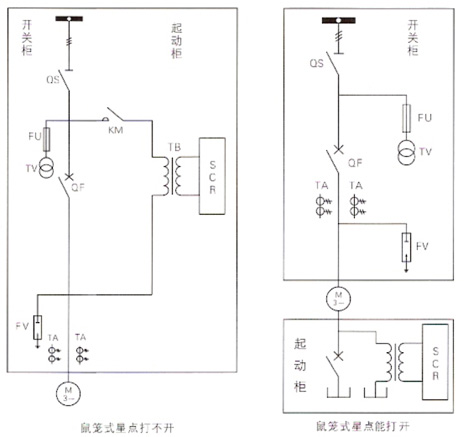
利用現代控制技術,調控起動變壓器副邊電壓,通過磁控原理,達到控制變壓器原邊電壓從高低變化,使電動機端電壓從低到高,達到軟起動的目的。
起動模式可選:電壓斜坡式、電流恒定式、初始脈沖式;
起動電壓、電流值小,對電網、電機和其他設備基本無沖擊損害;
起動電流:空載≤21e,輕載≤31e;
可方便實現一拖多(容量不要求相近)并可連續起動;
性能穩定可靠,無起動失敗危險;
維護簡單,使用周期長,性價比高。
高壓開關設備和控制設備標準共用技術要求 GB/T11022-1999 IEC60694:1996
3-35KV交流電金屬封閉開關設備用 GB3906-1991 IEC298:1990
三相油浸式電力變壓器技術參數和要求 GB/T6451-1999
電磁調壓軟起動器 Q/XYC-2005





(不想等待可點擊按鈕通過QQ進行溝通,或直接電聯。)
關閉